Adjusters, Covers, Shields, and Risers for 2007 Dodge Caliber
No.
Part # / Description / Price
Price
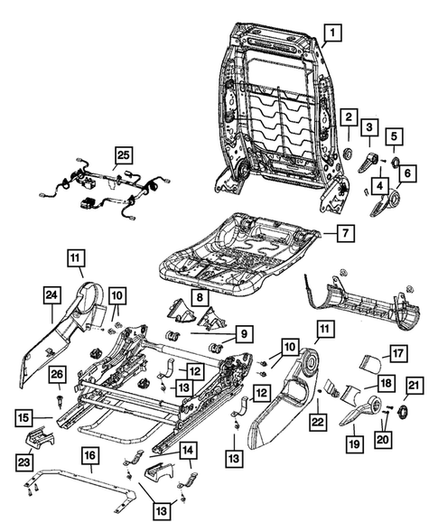
12
MSRP $44.60
$30.76
13
MSRP $29.20
$21.29
14
MSRP $42.35
$29.21
17
MSRP $40.75
$28.06
26
Hex Head Screw And Washer
Mopar
Mopar Description: M10X1.50X45.00. Mounts Adjuster To Floor
MSRP $10.60
$7.88
MSRP $10.60
$7.88
No.
Part # / Description / Price
Price
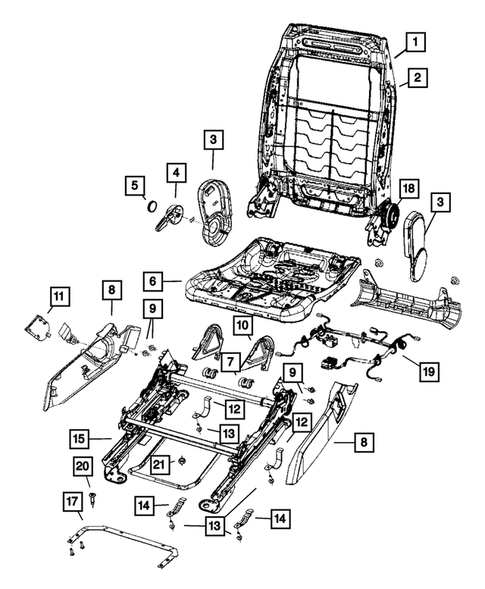
12
MSRP $44.60
$30.76
13
MSRP $29.20
$21.29
14
MSRP $42.35
$29.21
19
Seat Wiring
Mopar
Mopar Description: Track postion sensor system, heated seat, occupant classification system
21
Hex Flange Lock Nut, Mounting, Right
Mopar
Mopar Notes: Engines: 2.0L I4 DOHC 16V DUAL VVT ENGINE. 2.0L I4 DOHC DIESEL 16V ENGINE. 2.4L I4 DOHC 16V DUAL VVT ENGINE. Transmissions: 5-SPEED MANUAL T355 TRANSMISSION. 6-SPEED MANUAL AISIN BG6 TRANS. 6-SPEED MANUAL GETRAG DMT6 TRANS. CONTINUOUSLY VARIABLE TRANSAXLE II.
Description: M12X1.50. Front Differential Bracket to Isolator
MSRP $18.40
$13.42
MSRP $18.40
$13.42

