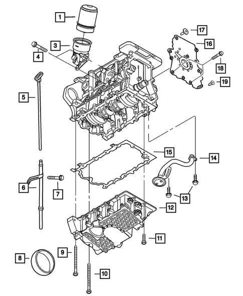
Engine Oiling for 2003 Chrysler PT Cruiser

Vehicle

2003 Chrysler PT Cruiser

Change Vehicle

Categories

Browse Categories
No.
Part # / Description / Price
Price
N/A
Hex Head Bolt And Coned Washer, Mounting
Mopar Mopar
Notes: Engines: 1.6L I4 SOHC 16V SMPI.
Description: M6X1.00X20.00. Camshaft Thrust Plate To Cylinder Block
4
Hex Head Bolt And Washer, Mounting
Mopar Mopar
Notes: Engines: 1.6L I4 SOHC 16V SMPI. 2.4L I4 DOHC 16V HO TURBO ENGINE. 2.4L I4 DOHC 16V SMPI ENGINE. Transmissions: 5-SPEED HD MANUAL G288 TRANSMISSION. 5-SPEED MANUAL T350 TRANSMISSION.
Description: M8X1.25X25.00. Differential Support Bracket to Differential
MSRP $9.00
$6.69
MSRP $9.00
$6.69